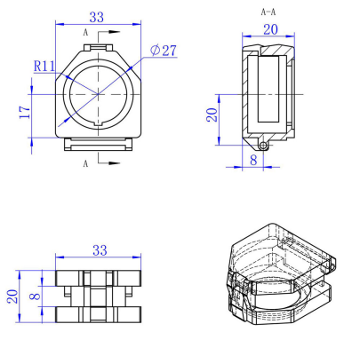
GY-S207 electric operation button protective cover

Material: PC

Instructions for use: The product is used as a dust cover for electric on-off buttons and indicator lights.

image.png


Recommended products

Recommended products