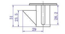
GY-S233 dust cover for opening and closing button (with button)

Material: PC

Instructions for use: The product is used for integrating the button and dust cover of the inflatable cabinet circuit breaker mechanism.

image.png

image.png

image.png

Recommended products

Recommended products