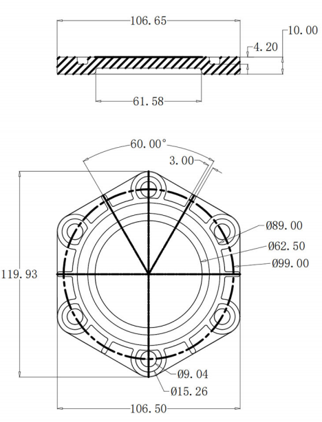
GY-S239 hexagonal fracture visual observation window
Material: PC
Instructions for use: The product is used on top of the inflatable cabinet and environmental protection cabinet air box, and the grounding and fracture status of the switch inside the air box can be observed.
