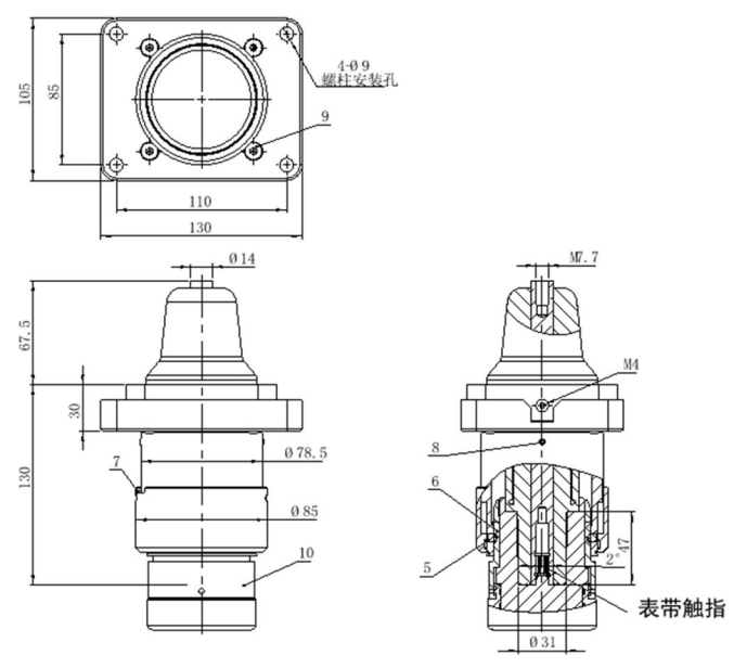
Material: Metal/Insulation
Instructions for use: When the main line of the ring main unit equipment is powered off, the incoming line switch can be disconnected, the plug of the node quick plug interface can be removed, a 12kV generator plug can be inserted into the node quick plug interface, and the PT node switch can be closed to supply power to the outgoing circuit of the ring main unit.
