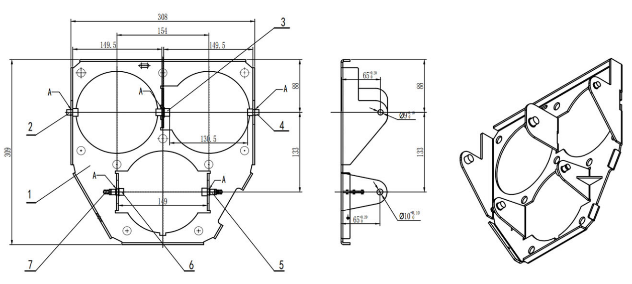
GY-T108 fuse tube pressure plate

Material: Q235

Instructions for use: The product is used for the fixed installation of fuse tubes in cabinet F.

image.png

image.png