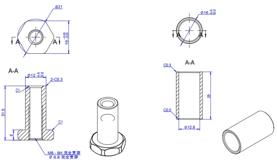
GY-T104 fuse pressure plate screw sleeve

Material: Q235

Instructions for use: The product is used for the fixed installation of the F cabinet fuse tube pressure plate.

image.png

Recommended products

Recommended products