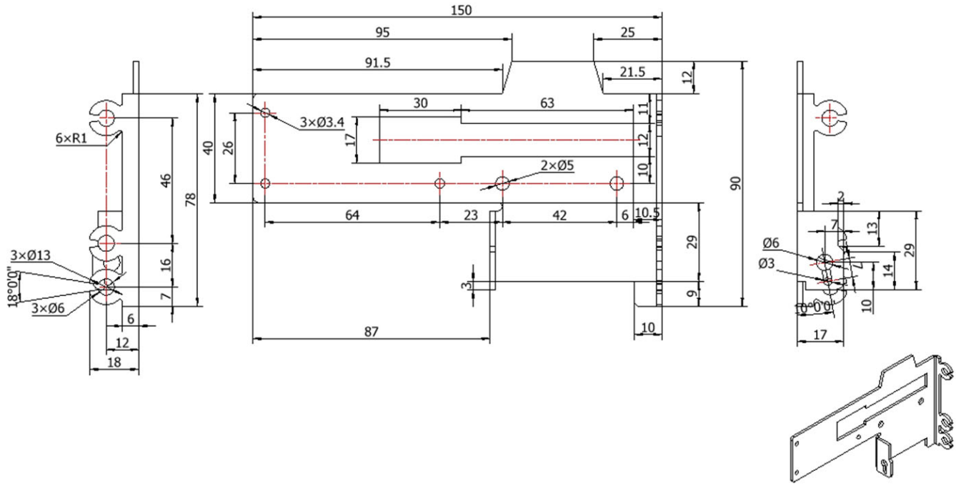
GY-T111 lower door interlock component

Material: A3 iron

Instructions for use: Mainly used for soft interlocking of the lower door of the mechanism and cable room.

image.png

Recommended products

Recommended products