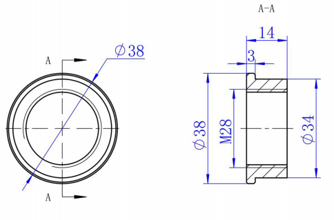
GY-T114-A Inflatable Valve Seat

Material: Stainless steel

Instructions for use: The product is used for installing and fixing nuts on the pressure gauge of the gas box.

image.png

Recommended products

Recommended products