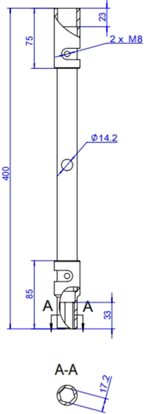
L400 Joystick
Material: Q235
Instructions for use: The product is used for energy storage operations in circuit breaker mechanisms, as well as grounding operations for closing and opening of incoming and outgoing line mechanisms and isolation mechanisms.
