GY-C402 circuit board C

Material: Electronic components

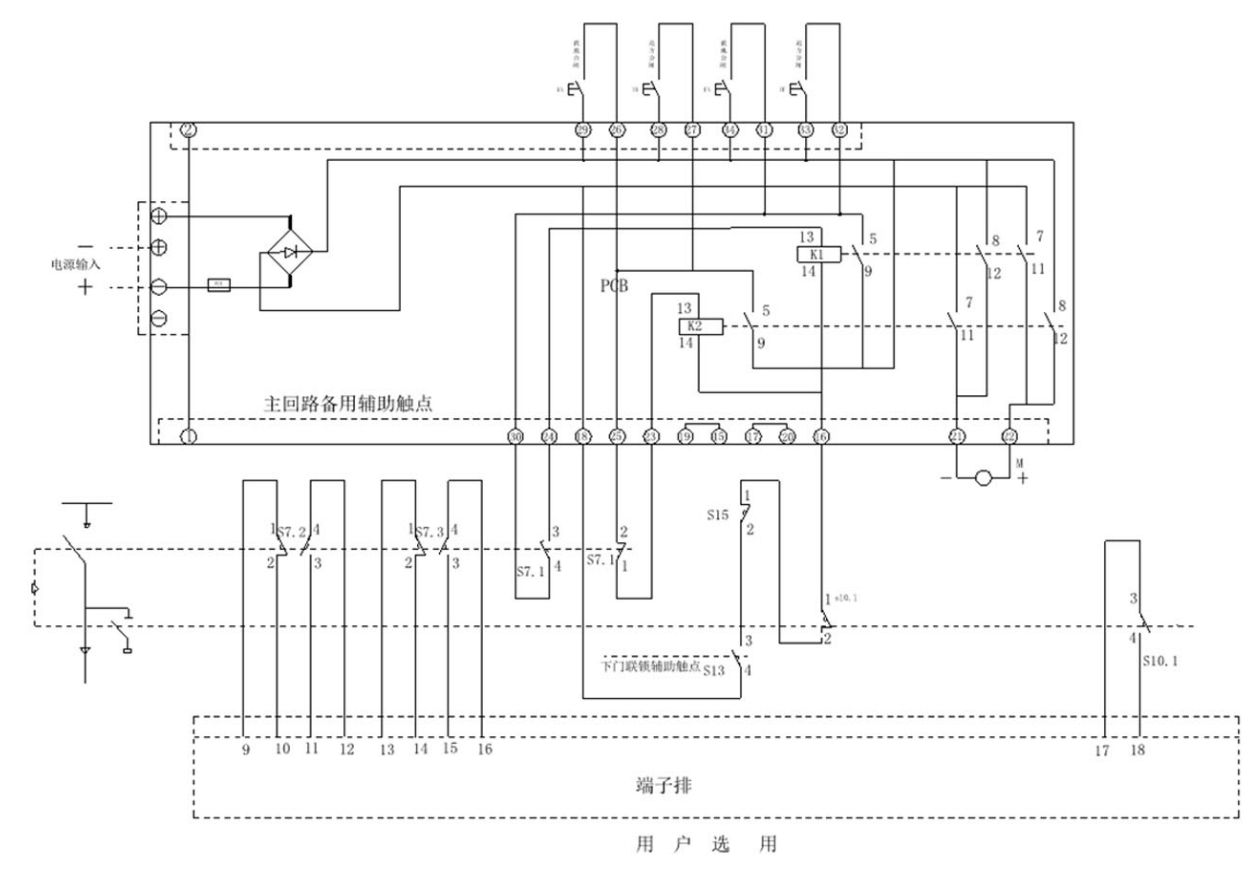
Instructions for use: Inflatable cabinet C mechanism secondary electric circuit board.

402.jpg

Recommended products

Recommended products