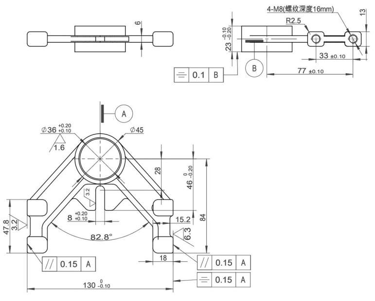
GY-C409 Circuit Breaker Transmission Parts

Material: cast steel/zinc alloy

Instructions for use: Mainly used for supporting the opening and closing of circuit breaker switches.

image.png

Recommended products

Recommended products