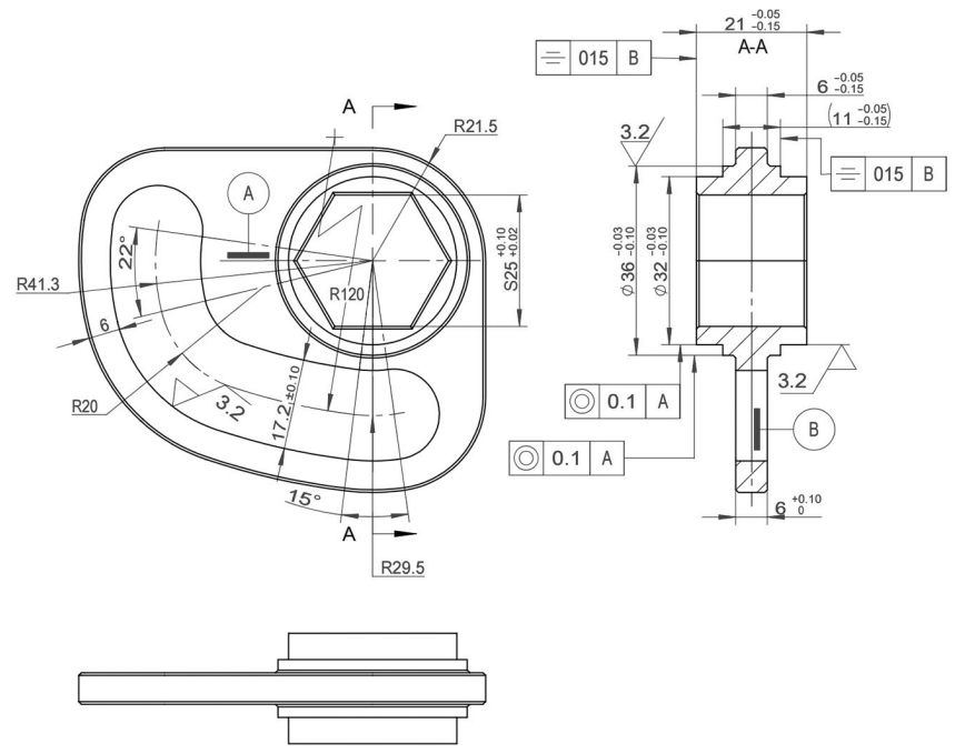
GY-C410 Circuit Breaker Transmission Cam

Material: cast steel/zinc alloy

Instructions for use: Mainly used for the on/off drive of circuit breaker switches.

image.png

Recommended products

Recommended products